Oferty

(1)

Pozostałe oferty od najtańszej

HELLA PAGID 8DD 355 129-851 Tarcza hamulcowa - 54997PRO_HC - wysoko nawęglany - pokryty - 360[mm] - 30[mm] - z wentylacją wewnętrzną/perforowany - dla m. in. LEXUS
389,96 zł
IDŹ DO SKLEPU

Opis i specyfikacja

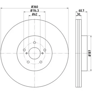
Typ tarczy hamulcowej: perforowany, z wentylacją wewnętrzną; średnica zewnętrzna [mm]: 360; Grubość tarczy hamulcowej [mm]: 30; Wysokość [mm]: 60,7; Minimalna grubość [mm]:

28; Przetwarzanie: wysoko nawęglany; Powierzchnia: pokryty; Ø rozmieszczenia otworów [mm]: 114,3; Średnica otworu centrującego [mm]: 62; Wzór otworów/liczba otworów:

05/07; Artykuł uzupełniający / informacja uzupełniająca 2: bez piasty koła, bez sworznia mocującego koła; Ciężar [kg]: 12; Montaż/demontaż koniecznie do wykonania przez fachowców!: ; Techniczny numer informacyjny: 54997PRO_HC; Linia produktów:

PRO High Carbon; Tuning: 1; Nawiercane: tak; Strona zabudowy: Oś przednia